隨著電能的發供應以及發展,可以說人類的活動軌跡是處處都有電子設備,而電子設備之所以能夠達到理想的工作,解決我們的問題,最大的特征就在于:電子設備中都有一個重要的部件,那就是電源電路,在這里我們對五種經曲的電源電路做一個簡短的介紹。
一、穩壓電路:
1. 3~25V電壓可調穩壓電路
該穩壓電源的可調范圍可在3.5V~25V之間任意設定,輸出電流大,采用可調穩壓管電路,輸出電壓良好穩定。
工作原理:經過整流濾波后,R1向調節管的基極提供 直流電壓 ,使調節管導通。當 V1 被激活時,電壓通過 RP 和 R2 激活 V2,然后 V3 被激活。V1,此時V2、V3的發射極和集電極電壓不變(其作用與 穩壓 管相同);改變RP可以產生穩定的輸出電壓;R1、RP、R2、R3的比值決定了該電路的輸出電壓值。
組件選擇:
變壓器T選用80W~100W,輸入AC220V,輸出雙繞組AC28V。
FU1選擇1A,FU2選擇3A~5A。
VD1、VD2 選擇 6A02。
RP使用 1W左右的普通電位器 ,阻值為250K~330K。
C1選用3300?F/35V電解電容,C2和C3選用0.1?F獨石電容,C4選用470?F/35V電解電容。
R1選用180~220Ω/0.1W~1W,R2、R4、R5選用10KΩ、1/8W。
V1選用 2N3055 ,V2選用3DG180或2SC3953,V3選用3CG12或3CG80。
3~25V電壓可調 穩壓電路

2. 10A 3~15V穩壓可調電源電路
如果沒有穩壓電源,就不可能對計算機或電子產品進行大修。下面顯示了一個穩壓電源,其 直流電壓 可以在 3 到 15 伏之間不斷調整,最大電流為 10 安培。TL431 標準電壓源集成電路,電壓調節更精準 。如果沒有特殊需要,基本可以滿足典型的維護使用。電路如下圖所示。

其工作原理分為兩部分:固定的5V1.5A穩壓電源電路和可從3V連續調節到15V的高精度大電流穩壓電路。
第一部分的電路非常簡單。C1電解電容將變壓器次級 8V交流電壓經硅橋QL1整流后的 直流電壓 濾波 ,再由5V三端 穩壓 塊LM7805在輸出端提供固定電壓,無需任何調整。在檢修電腦板的時候,這個5V1A穩壓電源可以作為內部電源使用。
第二部分與普通的串聯穩壓電源類似,只是采用了具有溫度補償特性的高精度標準電壓源集成電路 TL431 ,簡化了電路,降低了成本,提高了穩壓性能。
圖中電阻R4、 穩壓 管TL431、 電位器 R3產生一個不斷可調的恒壓源,為BG2的基極提供參考電壓。穩壓 管 TL431的穩定性 是由 穩壓 值決定的,可以連續修改。如果想提高壓電電源的可調電壓范圍,可以改變R4和R3的阻值,但變壓器的次級電壓也要提高。
變壓器的功率可根據輸出電流調整,二次電壓在15伏左右。橋式整流整流管QL采用15-20A硅橋,結構緊湊,中心有安裝螺釘,可直接安裝在機箱鋁板上,有利于散熱。
調節管采用大電流NPN型金屬殼硅管。在機箱允許的情況下,由于發熱量大,請使用大散熱器以增加散熱面積。如果您不需要大量電流,則可以使用較低的功率。使用硅膠管可以減小體積。
濾波采用三個50V4700uF電解電容C5和C7并聯,大電流輸出更穩定。此外,這種電容器應該大量獲得。50V4700uF也用于識別容量較小的。最好不要使用它。在頻繁的電壓波動或長時間不使用時,很容易出現故障。
最后,還有要考慮的電源變壓器。如果沒有能力自己繞線又找不到,可以用200W以上的現成開關電源更換變壓器。通過這種方式可以進一步提高電壓調節性能,同時保持較低的生產成本。其他電子元件沒有具體要求,安裝后無需過多調整即可順利運行。
Ⅱ.開關電源
一、PWM開關電源集成控制 IC -UC3842工作原理

UC3842的內部框圖和引腳圖 如下圖所示。UC3842采用 脈寬控制調制模式,工作頻率固定。一共有8個引腳。以下是每個引腳的功能:
1引腳為誤差放大器的輸出端,采用外部阻容元件改善誤差放大器的增益和頻率特性。
2反饋電壓輸入端位于第二個引腳上。該引腳的電壓與誤差放大器同相端的 2.5V 參考電壓進行比較,以產生控制脈沖寬度的誤差電壓。
3該引腳是電流檢測的輸入端點。當檢測電壓超過1V時,脈寬變短,導致電源間歇工作。
4定時端為管腳,外部阻容時間常數f=1.8/(RTCT)決定了內部振蕩器的工作頻率。公共接地端是腳。
6引腳為推挽輸出端,內部圖騰柱,上升下降持續時間僅為50ns,驅動能力1A。
7該引腳為 直流 電源的供電端,芯片功耗為15mW;具有欠壓、過壓鎖定功能。
8引腳為50mA負載能力5V參考電壓輸出端。
UC3842 是一款 性能卓越、應用廣泛、布局簡單的 PWM 開關電源集成控制器。由于只有一個輸出端,多用于音頻端控制的開關電源。
UC3842上的電壓輸入端 為7腳,其起始電壓范圍為16-34V。當上電且VCC為16V時,輸入電壓施密特比較器向5V蕨類穩壓器輸送高電平,產生5V參考電壓。電壓。Vcc 可以在 10V 和 34V 之間變化而不會改變電路的工作狀態,直到施密特比較器翻轉到高電平(在芯片開始工作之后)。當 Vcc 低于 10V 時,施密特比較器翻轉回低電平,電路停止工作。
當參考電壓源有5V的參考電壓輸出時,參考電壓檢測邏輯比較器到達輸出電路的高電平信號。同時,振蕩器會根據引腳 4 的外部 Rt 和 Ct 參數發出 f=/Rt.Ct 振蕩信號。該信號將直接連接到圖騰柱電路的輸入,而另一個將添加到 PWM 脈沖寬度到 RS 觸發器的設置。電流檢測比較器的輸出端接位端,RS型 PWM的R端 脈沖寬度調制器。占空比調整控制端為R端。當R端電壓升高時,Q端脈沖變寬,6腳發出的脈沖寬度也變寬(占空比增加);當R端電壓下降時,Q端脈沖變窄,6腳發出的脈沖寬度也變窄(占空比減小);當R端電壓下降時,Q端脈沖變窄,6腳發出的脈沖寬度也變窄(占空比減小)(占空比減小)。
該圖描繪了每個 UC3842 點的時序。只有E點為高電平時才有信號輸出,當a、b點均為高電平時,d點傳高電平,c點傳低電平;否則,d點送低電平,c點送高電平。② 輸出電壓采樣信號,也稱為反饋信號,通常與此引腳相連。當2腳電壓上升時,1腳電壓下降,R端電壓也隨之下降,使6腳脈沖變小;另一方面,引腳 6 上的脈沖變寬。
電流感應端為3腳;通常,一個微小的電阻采樣電阻與功率管的源極或發射極串聯;流過開關管的電流轉換成電壓,然后引入環境管腳。當負載短路或其他因素導致功率管電流增大,采樣電阻上的電壓超過1V時,6腳停止脈沖輸出,從而保護功率管不受損壞。

2、TOP224P構成的12V、20W開關 直流 穩壓電源電路:
由TOP224P構成的12V、20W開關 直流 穩壓電源電路如圖所示。
該電路包括兩塊集成電路:TOP224P三端單片開關電源(IC1)和PC817A線性光耦(IC2)。交流電經UR和Cl整流濾波后產生直流高壓Ui,為高頻變壓器T的初級繞組供電。
VDz1 和 VD1 通過將漏感引起的電壓尖峰鉗位到安全水平來降低振鈴電壓。VDz1采用P6KE200瞬態電壓抑制器,反向擊穿電壓為200V,而VDL采用UF4005超快恢復二極管,反向擊穿電壓為1A/600V。
V、C2、L1、C3對次級繞組電壓進行整流濾波,產生12V輸出電壓Uo。VDz2穩定電壓Uz2、光耦中LED的正向壓降UF和R1上的壓降之和決定了Uo值。
改變高頻變壓器的匝數比和VDz2的穩壓設置,得到不同的 輸出電壓。為了幫助在輕負載下進行負載調節,R2 和 VDz2 為 12V 輸出提供了一個幻象負載。TOP224P所需的偏置電壓由反饋繞組電壓經VD3和C4整流濾波后給出。通過R2和VDz2調節控制端電流,改變輸出占空比,實現電壓調節。
共模扼流圈L2可以將初級繞組產生的與D端高壓開關波形相關聯的共模漏電流最小化。C7 為保護電容,用于濾除初級和次級繞組耦合電容產生的干擾。初級繞組電流的基波和諧波產生差模漏電流, C6降低了該電流。C5可以決定自啟動頻率,也可以濾除提供給控制端的峰值電流。與 R1 和 R3 一起,它還對控制回路進行補償。

本電源主要技術指標如下:
交流輸入電壓范圍u=85~265V;
輸入電網頻率fLl=47~440Hz;
輸出電壓(Io=1.67A)Uo=12V;
最大輸出電流IOM=1.67A;
連續輸出功率Po=20W(TA=25℃,或15W(TA=50℃);
電壓調節率η=78%;
最大輸出紋波電壓±60mV;
工作溫度范圍TA=0~50℃。
三、DC-DC電源:
1. 3V轉+5V、+12V電路:
大多數電池供電的便攜式電子產品都采用低 電源電壓 ,這減少了電池的使用數量,有助于實現降低產品尺寸和重量的目標。因此,通常使用 35%V 作為工作電壓。穩壓電源對于保持電路操作的穩定性和準確性至關重要。
當電路采用 5V 工作電壓但需要更高的工作電壓時,設計人員的工作就變得更具挑戰性。本文介紹了一種通過組合兩個升壓模塊和僅兩個電池來解決此問題的電路。
該電路外圍元件少,體積小,重量輕,可產生+5V和+12V的可靠輸出,適合便攜式電子設備的需要。+5V電源的最大輸出電流為60mA,+12V電源的最大輸出電流為5mA。

電路如上圖所示。它由兩個升壓模塊組成:AH805 和 FP106。AH805升壓模塊在3V供電時,輸入1.2-3V,輸出5V,可輸出100mA電流。FP106是一款貼片升壓模塊,輸入電壓46%,設定輸出電壓291V,最大輸出電流40mA。斷電控制端子AH805和FP106均為電平控制。
兩節1.5V堿性電池輸出3V電壓給AH805,AH805輸出+5V電壓,其中一個為5V輸出,另一個輸入到FP106產生28-30V電壓,再經 穩壓 管穩壓后輸出+ 12V電壓。
通過改變穩壓管的穩壓 值 可以實現 不同 的輸出電壓 ,如圖所示,應用靈活。FP106 上的控制斷電端子為5pin。斷電時用電量幾乎為零。5pin加高電平>2.5V時通電;5pin加低電平0.4v時斷電。
2.用MC34063制作3.6V轉9V電路:
工作狀態:
帶負載,輸出9.88V,50.2mA,輸入3.65V,186.7mA,效率72%(相當于600mAH電池待機三年以上)。
工作原理:
IC的6腳 沒有電源,空載時停止工作。輸入端3.65V工作電流僅為18uA。(相當于600mAH電池待機三年以上)。8550的EC極在有負載(Q1有Ieb電流)時導通, IC 上電。類似于電池的負載的存在與否決定了 IC 是否工作。用IC做電壓轉換器效率高,輸出穩定。
這個電路可以通過增加更多的電源來改進,可以作為“4.2V到5V不切換的移動電源”使用。您可以使用電池盒作為手機的備用電源。

四、充電電路:
1、LM358堿性電池充電器電路:
關于堿性電池是否可以充電,有兩種觀點。有人認為可以充電,而且效果很好。一些人聲稱它不應該充電,并且電池說明表明存在爆炸的風險。堿性電池可以充電,充電次數一般在30~50次之間。
事實上,掌握充電程序導致了兩個截然不同的結果。首先,不可否認,堿性電池可以充電。同時,電池說明指出堿性電池不可充電,充電可能會導致爆炸。
這同樣是正確的,盡管這里的短語“可能”會導致爆炸。也可以理解為制造商的自我保護免責聲明。為堿性電池充電時,溫度至關重要。只要電池能在不達到高溫的情況下充電,就可以有效地完成充電過程。正確的充電技術需要考慮以下幾點:
小電流50MA;
但充電1.7V,卻放1.3V。
在嘗試充電程序后,一些人斷然表示他們無法被充電。充電器通常會導致諸如不充電、低功耗、液體泄漏和爆炸等問題。如果某些快充的充電電流大于200ma,電池溫度會極高,摸起來會發燙,會漏光,嚴重的會爆炸。
有些人用鎳氫充電電池充電器給他們的電池充電。自動充電停止不適用于低成本充電器。如果電池長時間過度充電,就會漏液和爆炸。更好的充電器提供自動充電停止功能,雖然 鎳氫 充電電池的充電停止電壓通常設置為 1.42V,而堿性電池的滿電壓約為 1.7V。
結果,如果電壓過低,就顯得電池無法充電,耗電時間短,影響不大。然后是電池,這意味著你不應該等到它完全沒電再充電。結果,再好的電池,充三五次,效果還是一般。
一般推薦使用不低于1.3V的南孚堿性電池。如果要給堿性電池充電,則需要充電電流約為 50 毫安、充電截止電壓約為 1.7 伏的充電器。看看你家的充電器。
市場上可以買到通常被稱為專利設備的特殊堿性電池充電器。實際上,充電電壓為1.7V,電流為50ma,電路很簡單。 我使用手頭的LM358和 TL431部件創建了一個基本電路 。當截止電壓達到 1.67V 時,充電自動終止。只需兩塊錢。為了那些可能感興趣的人的利益。

特征:
開路電壓為1.5V;
工作溫度范圍在-20°C到60°C之間,適合高寒地區使用;
大電流下的連續放電容量約為酸性鋅錳電池的5倍。
它還具有優異的低溫放電性能。充電循環次數通常少于30次,從10次到20次不等。它需要一個獨特的充電器,而且很容易失去充電能力。
2. 2.75W中功率USB充電器電路
設計中使用了Power Integrations 的 LinkSwitch 系列 的 LNK613DG 。此設計適用于手機或類似的 USB 充電器應用,例如手機電池充電器、USB 充電器或任何需要恒定電壓/恒定電流特性的應用。
交流輸入由二極管D1 至 D4 整流,直流由電容器 C1 和 C2 濾波。為降低差模傳輸 的EMI 噪聲,L1、C1 和 C2 組成一個 - 型濾波器。這些與 Power Integrations 的變壓器 E-sheild 技術相結合,使該設計能夠輕松滿足 EN55022 B 類傳導 EMI 要求,并具有足夠的余量,而無需使用 Y 電容器。RF1 繞線電阻器具有防火、可熔性,并提供關鍵故障保護以及限制啟動期間的浪涌電流。

U1 由可選偏置電源供電,可將空載功耗降至 40 mW 以下,如圖所示。電纜壓降補償量由旁路電容C4的值決定。1F 的補償值對應于 0.3、24 AWG USB 輸出電纜。(10F 電容器根據 USB 輸出電纜的 0.49、26AWG 規格進行調整。)
輸出電壓在恒壓階段通過開關控制進行調節。通過跳過開關周期,輸出電壓得以維持。可以調整啟用與禁用周期的比率以保持調節。這也使得優化轉換器在整個負載范圍內的效率成為可能。在輕負載(涓流充電)下,電流限制也會降低,以降低變壓器磁通密度,從而降低可聽噪聲和開關損耗。電流限制將隨著負載電流的增加而增加,并且將跳過更少的周期。
當不再跳過開關周期(達到最大功率點)時,LinkSwitch-II 中的控制器將切換到恒流模式。當負載電流需要增加,甚至更多時,輸出電壓會下降。FB 引腳電壓受輸出電壓下降的影響。
為了防止漏感引起的漏極電壓尖峰,D5、R2、R3和C3構建了一個 RCD -R鉗位電路。為了消除漏感引起的漏極電壓波形的振蕩,電阻R3具有相當大的值,以防止在關斷期間過度振蕩并降低傳導EMI。
次級經二極管D7整流,經二極管C7濾波。C6 和 R7 協同工作, 通過限制 D7 上的瞬態電壓尖峰,最大限度地減少傳導和輻射EMI 。當充電器與交流電源斷開時,電阻器 R8 和 齊納 二極管 VR1 形成輸出虛擬負載,確保空載時的輸出電壓在可接受的范圍內,并且電池不會完全放電。反饋電阻R5 和 R6 設置恒壓級的最大工作頻率和輸出電壓。
Ⅴ. 恒流源
1、三線制恒流源驅動電路
溫度傳感器Pt1000由恒流源驅動電路驅動,該電路將隨著溫度變化檢測到的電阻信號轉換為可量化的電壓信號。本系統要求的恒流源應具有恒定的輸出電流,溫度穩定性好,輸出電阻大,輸出電流小于0.5mA(Pt1000無自熱效應的上限),負載一端接地,除其他外,輸出電流的極性可以改變。特征。
由于溫度對集成運放參數的影響比對晶體管或場效應管參數的影響要小,因此由集成運放組成的恒流源具有卓越的穩定性和更高的恒流性能。它已被廣泛采用,特別是在負載的一端必須接地的情況下。因此,圖 2 顯示了一個雙運放恒流源。UA1為加法器,UA2為跟隨器,UA1和UA2均采用OP07雙極性運放,具有低噪聲、低失調、高開環增益。

假設圖2中參考電阻Rref的上下兩端的電位分別為Va和Vb,Va為同相加法器的輸出。當使用電阻R1=R2和R3=R4時,得到Va=VREFx+Vb,產生恒定電流。源的輸出電流為:
可以證明雙運放恒流源具有以下顯著特點:
負載可接地;
當運算放大器由雙電源供電時,輸出電流是雙極性的。
通過改變輸入參考VREF或調整參考電阻Rref0的大小可以簡單地獲得穩定的小電流和補償校準,通過改變輸入參考VREF或調整參考的大小容易獲得恒定電流電阻Rref0。
由于電阻不匹配,參考電阻Rref0兩端的電壓會受到驅動負載端電壓Vb的影響。同時,由于是恒流源,負載變化時Vb無疑會發生變化,影響恒流源的穩定性。顯然,對于高精度恒流源來說,這是無法接受的。因此,四個電阻R1、R2、R3和R4之間的失配應盡可能小,并且每對電阻之間失配的大小和方向應保持一致。在實際應用中,可以篩選出大量同批次的精密電阻,可選擇阻值相近的4個電阻。
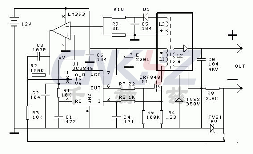
2、開關電源型高耐壓恒流源電路:
該儀器的創建需要使用能夠在 0 到 3 兆歐的電阻范圍內產生 1MA 電流的連續電流源。一個是使用 UC3845 和 12V 電池構建的。變壓器采用彩電高壓包,L1用漆包線繞原高壓包鐵芯24圈,L3用原高壓包線圈,L2用高壓元件原裝高壓包。為防止輸出電壓過高,L3與LM393組成限壓電路。開路輸出電壓可以通過調節R10來調節。
